Рейка для підвісної системи Visico CT-3M-D double track
Чому варто купити Рейка для підвісної системи Visico CT-3M-D double track в інтернет- магазині FotoFOX.com.ua
Офіційна Гарантія
Безкоштовна консультація і допомога з вибором
ОПИС
Рейка для підвісної системи Visico CT-3M-D double track
Рейка Visico CT-3M-D double track є ключовим елементом для розширення можливостей підвісної студійної системи Visico CT-04 або аналогічних конструкцій інших брендів, сумісних за габаритами й механікою. Ця подовжена двоканальна рейка довжиною 3 метри створена для фіксації додаткового обладнання на стелі фотостудії, дозволяючи гнучко та безпечно розміщувати студійні спалахи, постійне світло, пантографи та інші аксесуари без використання підлогових стійок, які часто заважають роботі в кадрі або ускладнюють доступ до об'єкта зйомки.
Конструкція Visico CT-3M-D забезпечує двоканальне прокладання напрямних: по одному каналу рухається вся рейка вздовж закріпленої на стелі одинарної напрямної, а по другому каналу вже переміщаються пантографи або адаптери з освітлювачами, що дозволяє змінювати не лише їхнє положення вздовж рейки, але й повертати чи комбінувати їх у потрібному напрямку. Такий принцип «рейка в рейці» дозволяє створити мобільну систему освітлення з максимальним простором для маневру. Це особливо актуально для невеликих студій, де важливий кожен метр вільного простору, або для зйомок із великою кількістю обладнання.
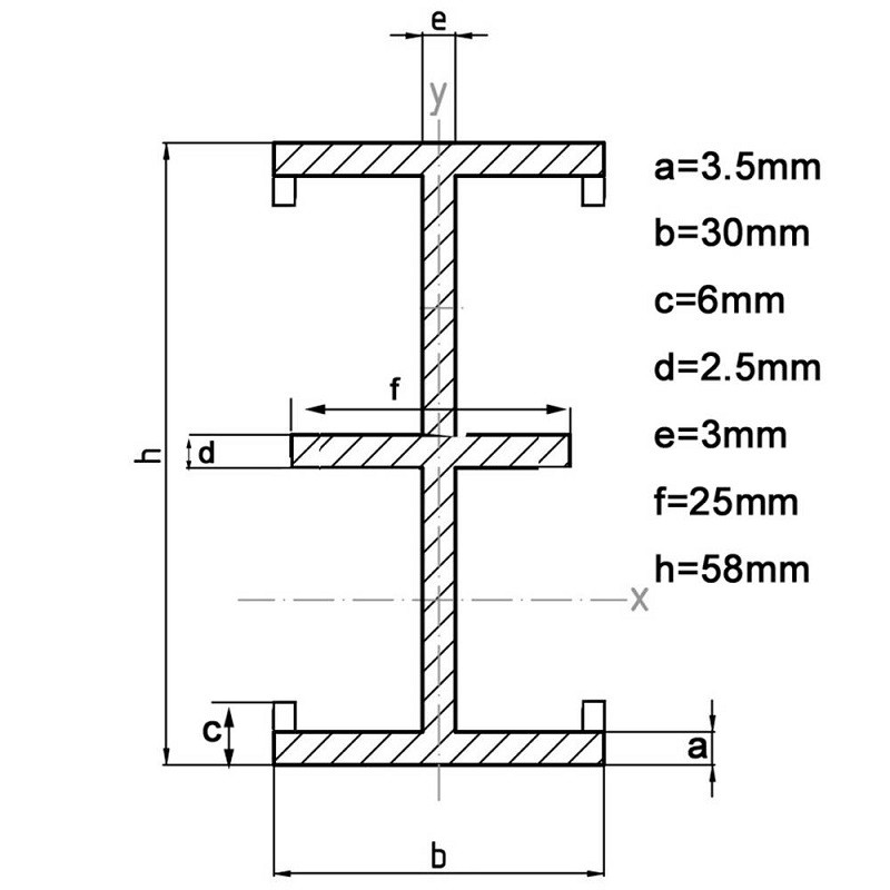
Рейка виготовлена з високоякісного металу, що забезпечує її міцність, довговічність і стійкість до навантажень. Вона розрахована на регулярне переміщення підвішеного обладнання, зберігаючи плавність ходу і надійність фіксації кареток. Зовнішній розмір профілю становить 5,8 см завширшки та 3 см заввишки, що відповідає стандартам більшості студійних рішень і дозволяє легко інтегрувати рейку в існуючу підвісну систему без необхідності заміни інших компонентів.
Монтаж рейки CT-3M-D здійснюється за допомогою кареток, які прикріплюються до базових одинарних напрямних, вже закріплених на стелі. Це дозволяє здійснювати не лише поступальне переміщення освітлювального обладнання, а й змінювати його конфігурацію під час зйомки без демонтажу чи перебудови всієї системи.
Visico CT-3M-D double track — це ідеальне рішення для професійної фотостудії, яке дозволяє вивільнити підлогу, оптимізувати простір і забезпечити безпечну, точну та ефективну роботу з освітленням. Така рейкова система стане надійним фундаментом для побудови гнучкого освітлювального середовища як для портретної, так і для предметної, fashion або відеозйомки.
Характеристики:
- Довжина: 3 м
- Розмір: 5,8 x 3 см
- Матеріал: метал
Особливості:
- Подвійна рейка для підвісної системи студійного освітлення: Є елементом підвісної рейкової системи Visico, призначеним для створення розширеної структури для розміщення більшої кількості освітлювальних приладів та забезпечення їхнього гнучкого переміщення. Подвійна конструкція забезпечує підвищену стабільність та можливість незалежного руху кареток по різних напрямках.
- Довжина 3 метри: Забезпечує значну відстань для переміщення освітлювальних приладів вздовж студійного простору.
- Високоякісний алюмінієвий профіль: Виготовлена з міцного та легкого алюмінієвого сплаву, що гарантує надійність та довговічність системи.
- Сумісність з каретками Visico: Призначена для використання з рухомими каретками Visico, які забезпечують кріплення студійного обладнання.
- Можливість нарощування: Рейки можуть з'єднуватися між собою для створення систем більшої довжини, адаптованих до розмірів студії.
- Проста установка: Легко монтується до стелі студії за допомогою відповідних кріплень.
- Анодоване покриття: Забезпечує захист від корозії та зносу, зберігаючи естетичний вигляд системи протягом тривалого часу.
Чому варто обрати рейку Visico CT-3M-D double track?
- Розширює функціональність підвісної рейкової системи.
- Забезпечує підвищену стабільність та гнучкість переміщення світла.
- Міцна та довговічна конструкція з якісного алюмінію.
- Можливість створення систем різної конфігурації та довжини.
- Проста установка та надійне кріплення.
Для чого використовується рейка Visico CT-3M-D double track?
- Створення основної структури для підвісної системи студійного освітлення у великих студіях.
- Забезпечення незалежного переміщення кількох освітлювальних приладів.
- Оптимізація студійного простору шляхом підвішування обладнання до стелі.
Для кого підходить рейка Visico CT-3M-D double track?
- Власники великих фото- та відеостудій.
- Професійні фотографи та відеооператори, які працюють у студійних умовах.
- Навчальні заклади з великими фото- та відеостудіями.
Купити рейку для підвісної системи Visico CT-3M-D double track в інтернет-магазині FotoFOX.com.ua:
Розширте можливості вашої студійної системи освітлення з надійною та функціональною подвійною рейкою Visico! Не пропустіть чудову можливість купити рейку для підвісної системи Visico CT-3M-D double track в інтернет-магазині FotoFOX.com.ua та створіть ідеальну інфраструктуру для вашого студійного світла!
Всі товари в категорії
Підвісні системи










_0x200.jpg)
